能耗制动电路中的电阻r和接地各起到什么作用?
能耗制动一般是指当交流电动机停止运行脱离电源后,给电动机定子绕组通入直流电,由于直流电产生的磁场是静止的,而不是原来交流电产生的旋转磁场,从而使电动机很快停止运转。这个过程电动机转子靠惯性在静止磁场中转动,在转子中感应出电流并发热损耗,也就是把转子惯性动能消耗掉,直至停止转动,因此称为能耗制动。
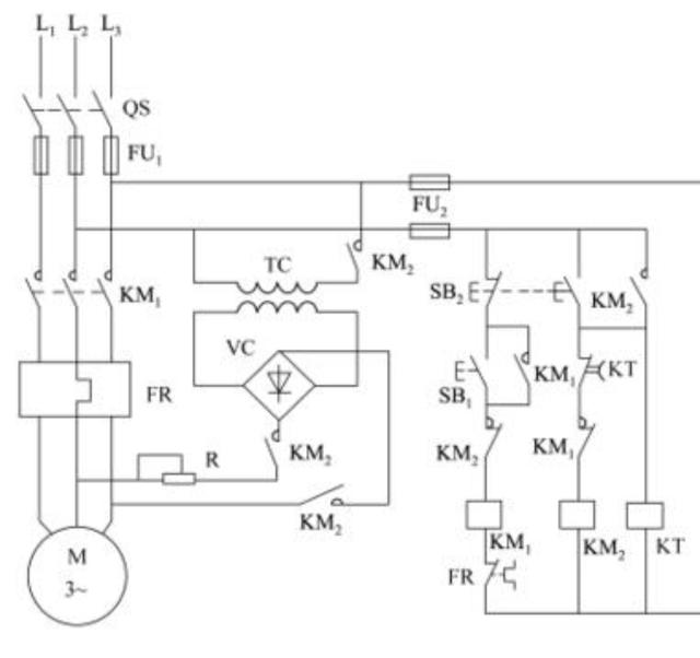
根据电动机功率大小,选取合适的直流制动电压与电流,一般可以不用电阻。如下图是一个比较典型的带有能耗制动的电动机控制电路。
图中TC是变压器,VC是整流桥,把变压器低压侧输出的交流电整流成直流电,这个电路中的可变电阻R,是用于调节能耗制动电流大小的,制动电流大电动机从断开交流电到完全停止的时间就短,反之这个时间就长。但是,因制动电流较大,这个可变电组就要求功率较大,实际应用中采用大功率可变电阻不太现实,小功率电动机制动电流就达几安培,电阻要几十瓦,体积大发热严重,所以很少会在制动回路中采用电阻。
实际应用中通过调节变压器抽头来调整输出电压,从而改变制动电流。一般场合制动直流电压在20--30伏左右,制动电流大小与电动机额定电流差不多。如果制动电流超过电动机的额定电流,就要考虑电动机温升是否会超标?以便采取应对措施。
上图的工作过程如下
按下起动按钮SB2,接触器KM1吸合,电动机通电运转,并联在SB2上的KM1辅助触点作自保(自锁)用。停止时按下SB1按钮,KM1接触器断电释放,电动机断电,接触器KM2与时间继电器KT吸合,给电动机通入直流电,进行能耗制动。制动时间由KT控制,延时到后KT延时触点断开,使KM2释放,能耗制动停止。
至以说电阻接地,可能是如下图的方案。
这是一种简单的能耗制动方法,用在小功率电机上,直接用220伏单相电源,通过二极管VD半波整流,可变电阻RP调整电流来进行能耗制动。
有些电工书上把接零线N端画成了接地,其实是错误的。
常熟电工作品均是原创,未经许可谢绝转载。

内容仅供参考,如果您需解决具体问题(尤其法律、医学等领域),建议您详细咨询相关领域专业人士。
版权声明:文章内容来源于网络,版权归原作者所有,如有侵权请与我们联系,我们将及时删除。
