一个照明一个应急,镇流器出现三根线怎么接?
应"悟空小秘书"邀答!
一个照明一个应急,镇流器出现三根线怎么接?
既然是镇流器,就是之前的一种节能灯,是从线圈硅钢片作镇流器演变成电子镇流器的,就是用220V输入两根线,输出四根线接两头灯管,因为没发个图,就不知你的镇流器哪来的三根线,为何说照明和应急?
我想的是多数镇流器为金属外壳,厂家为了安全在外壳上接入了地线,可你把常规的红黑为一火一零,黄线为地,这黑和黄被颠倒了,将黄线当成了零线,与红线构成了循环途径,由这当中的220V有一黄线入了地,所以符合你在描述中说的一开开关,就跳闸。正常情况下不会跳闸,不外乎两种原因,一种是入地漏保跳闸,第二种是火与零和地并联了出现空开跳闸。
为了证明镇流器的几条线,用万用表10K档分别量每根线与外壳的电阻,凡有读数的就为地线,另两线即为一火一零的输入线。
因为你是外行,描述的术语不合常理,如果你发个图,就是外行说错了,别人也看得懂。
谢谢你的阅读🙏!

一个照明一个应急,镇流器出现三根线怎么接?
一个照明一个应急,镇流器出现三根线怎么接?
题意不是很清楚,猜测你说的应是消防应急照明灯。
消防应急灯简述消防应急灯和普通灯具差不多,只是它内部多了有电源模块和电池组,使用时和普通灯具没什么差别。有电时,消防应急灯内部的电池处于充电状态;但是如果市电发生断电,那么消防应急灯内部的电池组就会给灯供电,防止因停电而发生意外突发情况。
消防应急灯在各商场、车站、电影院灯等公共场合都有广泛应用。如果要把普通灯具改成应急照明灯具,只需要在里面加一个消防应急电源装置即可。消防应急电源装置如下所示:
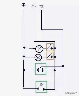
消防应急灯接线消防应急电源装置一般有7个接线柱,其中两个是一个插接端子,用于插接电池组。其他5根线分别接开关和电源及灯具。接线图如下所示:
另外需要注意的是,如果灯没有驱动装置(比如镇流器、LED驱动等),那么4、5端子直接接灯即可。如果灯有驱动装置,那么就需要把4、5端子接灯的镇流器或者LED驱动等。如图
开关跳闸至于你说的一开开关就跳闸,说明线路有短路或者漏电的情况。不过照明线路一般不用漏电开关,所以跳闸的原因可能是某处发生了短路。判断方法如下:
先把应急电源模块和线路断开(拆掉上图1、2、3端子接线),然后开开关。如果还跳闸,那就说明是线路短路,需要检查线路哪个地方短路。如果不跳闸,那可能是应急电源模块或者灯具有问题。
如果是应急电源模块或者灯具有问题,那可以再采用排除法来锁定故障范围。把4、5端子拆除,然后直接接上与应急电源模块2、3相连的火线零线,然后再开开关。如果还是跳闸,那就是灯具镇流器或者灯架有问题;不跳闸的话,那就可以确定是应急电源模块有问题。
最后,哪个坏了就换哪个呗。
以上就是我的原创回答,如果发现抄袭我的文章,必定追究!
如果还有其他不足,欢迎大家补充!
我是电工学院,专门负责电工培训、考证;如果你对电工感兴趣,可以关注我!如果觉得不错,记得点赞、评论、转发!感谢
一个照明一个应急,镇流器出现三根线怎么接?
你提出的问题有问题!
最老式的电感式镇流器除电源外有6根线,后期的有4根;电子镇流器除电源外也有4根线。以前旧式电气的接地线非现代的国际标准:黄绿双色线,多为接错地线短路引起跳闸
内容仅供参考,如果您需解决具体问题(尤其法律、医学等领域),建议您详细咨询相关领域专业人士。
版权声明:文章内容来源于网络,版权归原作者所有,如有侵权请与我们联系,我们将及时删除。
